热门搜索:电气设备,电子元器件,仪器仪表,电气设备,消防设备,照明设备
产品分类

Product category

技术文章 / article 您的位置:网站首页 > 技术文章 > 智慧安全用电管理系统——为每一处养老空间筑牢“看得见”的用电安全防线

智慧安全用电管理系统——为每一处养老空间筑牢“看得见”的用电安全防线

发布时间: 2026-03-18  点击次数: 23次

随着社会的发展,老龄化日趋严重,关爱呵护老人成为了不可避免的话题, 可惜“树欲静而风不止,子欲养而亲不待"。不过养老院逐渐被人们接受,同时 智能化型养老院模式更加被人们青睐。养老院最重要的还是要考虑老人入住的体 验,为老人创造一个舒适、便捷、安逸、轻松、自由、愉快的生活养老环境。因 此,如何将智能化的系统融入养老院,并与之结合才是发展的关键。


依据10部门发文明确今后三年养老机构安全管理目标

图片


养老院福利机构消防现状

图片



市场痛点:养老机构电气改造难点





01基础设施陈旧:

很多村镇养老机构由老旧民房改造,电气线路严重老化、线径过小,且缺乏火灾自动报警系统和喷淋系统


02电气隐患隐蔽:

线路老化、绝缘破损、接触不良等问题肉眼难辨、排查困难,传统巡检手段无法发现早期征兆


03专业力量缺失:

养老机构普遍缺乏专业电工,且从业人员消防意识薄弱,对电气隐患“看不懂、管不了"


04系统误报困扰:

传统电气火灾报警系统误报率高,容易产生“狼来了"效应,导致管理人员麻痹



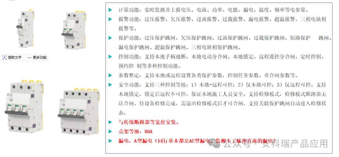
硬件方案





01智能微断

图片

02智慧精灵


图片


03故障电弧探测器

图片


04ARCM600系列智慧安全用电探测器

图片


05限流式保护器

图片


06医疗智能绝缘监测仪

图片


07AISD智能安全配电装置

图片




软件功能





主页面展示

图片


平台功能优势

图片

实时监控

系统可实时查看配电箱各回路的电气参数情况,包含电压,电流,剩余电流,温度,功率和电能等数据。可查看实时数据及历史曲线。


图片
参数设置

在系统中可以根据用电回路的现状,打开回路相应的报警功能,包含过压,欠压,过流,过功率,过剩余电流和超温等开关,并设置对应的报警阈值

图片
时控设置

根据回路的应用情况,可针对相应回路设置时控方案,包含定时计划和周期计划。回路根据时控方案能自动上电及断电,避免出现电能浪费。

图片
报警通知

系统在产生报警或隐患后,系统可以针对工程人员派发工单,处理完以后工程人员能够在系统中填写相关工单任务记录,以供历史查询。隐患统计支持对项目进行日、月、季、年的维度查询,并能够自定义时间查询,将项目下隐患以曲线,图表的形式展现。

报警信息支持多样化的推送方式:短信、邮件、APP、语音外呼、语音播报等

图片

用能分析

用能报表显示各回路的用能数据,包括日报、月报、年报,日报显示分时用能,月报显示分日用能,年报显示分月用能,报表可以导出。

图片


手机APP

图片




应用案例





案例一社会福利机构-浦东养老院智慧用电

上海发文在全市养老机构开展安装故障电弧探测器工作


图片

项目现状:

目前共接入97家养老院,监控9543个回路的故障电弧容纳了其余厂商设备接入我方平台成功将数据接入系统中进行大屏展示

图片


案例二 颐和园智慧用电云平台

工程概述:

工程涉及园区内33个古建筑

主要是对配电箱进行改造

数据需要上传到云平台统一管理

现状与效果:

我司负责对颐和园33个主建筑的配电箱进行改造,通过加装故障电弧探测器和电气火灾探测器,采集数据后统一上传到我司平台,并和第三方平台进行对接,进行3D建筑展示和报警显示。

图片





资质文件


图片
图片

总结





智慧安全用电管理解决方案,如同一位经验丰富的电力管家和安全卫士,为工厂智能化生产保驾护航,为人员密集场所安全运营提供保障。它优化用电策略,降低能耗,助力节能减排;提升供电可靠性,降低运维成本,提高服务质量,为各行各业赋能,点亮更加美好的未来!



  • 联系电话电话021-69151205
  • 传真传真021-69153629
  • 邮箱邮箱2881454557@qq.com
  • 地址公司地址育绿路253号

电瓶车充电桩、电动汽车充电桩禁止非法改装!


© 2026 版权所有:安科瑞电子商务(上海)有限公司   备案号:沪ICP备18001305号-53   sitemap.xml   管理登陆   技术支持:仪表网       
  • 扫一扫加微信