摘 要:随着光伏发电的广泛应用,防逆流问题成为保障电网安全与用户收益的关键。本文深入解析光伏防逆流技术的核心价值,通过智能监控与实时调控,有效避免光伏系统向电网逆向送电,消除安全隐患的同时,帮助用户自发自用比例,降低电费成本。文章结合项目案例,展现防逆流方案如何适配户用、工商业等多种场景,兼容储能系统优化能源管理,并解读政策导向下光伏防逆流的必要性。选择专业可靠的防逆流解决方案,助您在绿色发电道路上安全增效,实现经济与环保双赢。额定绝缘电压为1000V,
关键词:分布式光伏、储能控制、防逆流控制、能量管理、保护装置。
1、概述
在当前背景下,分布式光伏装机越来越多,某些地方出现红区,当地电力公司要求新建分布式光伏自发自用,进行做防逆流措施。光伏防逆流已成为部分客户迫切的需求,主要原因有以下几点:
(1)政策强制要求驱动
“430" 节点前并网的分布式光伏项目可沿用旧政策,“531" 节点后并网项目需执行新规,如工商业项目需 100% 自发自用等,迫使企业通过防逆流技术确保合规。
(2)技术必要性:保障电网安全与稳定
光伏发电间歇性易致功率波动,逆流可能引发电压升高、频率异常等,威胁设备安全。防逆流装置可在检测到逆流时短时间内切断电路或调节逆变器功率。防逆流技术结合智能电表可解决传统电表计量矛盾,满足计量要求。
(3)经济性提升与能源效率优化
柔性调节方案可减少弃光损失,结合峰谷套利降低用户电费成本。相关能量管理系统通过算法优化光储协同,提升自发自用率,缩短投资回收期。“531" 后新能源项目需通过电力市场交易定价,防逆流技术帮助企业调节出力,提升收益稳定性。
(4)技术方案多样化适配场景需求
速断方案成本低、改造快,适用于小型户用场景;柔性调节方案可实现毫秒级功率调节,适配工商业多并网点复杂场景。智慧能源平台整合数据,实现源网荷储协同优化,提升资产增值空间。
2、项目情况
亚马逊中卫数据中心项目共计存在三个站点,50、52站点的数据通过网关将数据传输到51FOC机房主机统一管理控制。
50站点Admin:1个并网点,配有4台逆变器、1台储能柜。51站点Admin:1个并网点,配有4台逆变器、1台储能柜。51站点CCU:3个并网点,配有3台逆变器。52站点Admin:1个并网点,配有4台逆变器、1台储能柜。52站点CCU:3个并网点,配有3台逆变器。
项目中光伏在0.4kV接入低压系统并网,客户要求光伏发电仅用于低压部分,严禁上送到10kV电网影响上级电网的电能质量。
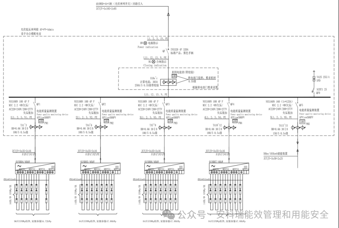
以下为该项目的图纸:

根据客户的要求,本分布式光伏项目,只能就地消纳,禁止上送10kV电网。
3、解决方案
因项目对接入系统的新能源有着很高的电能质量需求,故每台逆变器配置一台电能质量在线监测装置APView500,为了实现上述目标,需要在每个并网点配置一台AM3防逆流保护装置来测控0.4kV线路送出功率,当功率值接近15kW时,通过能量管理系统Acrel-2000MG无人值守状态下实时动态调整逆变器输出功率来实现光伏电站持续运行,同时也要确保输出功率能量管理系统安全、可靠运行。在输出功率能量管理系统Acrel-2000MG动态调整失效时能够自动切断部分光伏发电回路保障0.4kV线路供电正常,并能自动恢复能量管理系统正常运行、自动切断部分逆变器恢复运行。

方案典型配置如下:
序号 | 名称 | 型号、规格 | 单位 | 数量 |
现场设备 | ||||
1 | 中压保护装置 | AM3-I | Pcs | 9 |
2 | 电能质量在线监测装置 | APView500PV | Pcs | 20 |
3 | 网络电力仪表 | ACR220EL | Pcs | 3 |
4 | 终端电能计量表 | ADL200/C | Pcs | 12 |
小计 | 44 | |||
监控中心值班室 | ||||
1 | 智能通信管理机 | ANet-2E4SM | Pcs | 6 |
2 | 智能通讯管理机 | ANet-M485 | Pcs | 3 |
3 | 微电网能量管理系统 | Acrel-2000MG(Windows单机版) | 套 | 1 |
系统组网图如下:

4、方案效果
某数据中心光伏防逆流项目应用 Acrel-2000MG 能量管理系统,通过集成分布式能源构建统一监测管理体系。系统基于数据中心实时负荷需求,动态调控各光伏单元输出功率,在防逆流综保动作前,以逆变器功率调节指令实现柔性控制,确保光伏电力零逆流并网。实际运行显示,公共连接点功率精准维持在 15kW 设定阈值,消除逆流风险,避免影响上级电网正常供电,影响上级电网电能质量。该方案同步提升微电网系统稳定性,为高算力密度的数据机房打造了合规、经济的绿色能源范式,实现供电可靠性与低碳运营的双重价值升级。

该系统搭载的人机交互界面采用电气一次图可视化设计,管理人员可直观查看各电气回路运行状态,实时监测光伏回路电压、电流、功率因数等电参数。通过分布式电源发电管理模块,既能实时掌握发电单元出力曲线、收益数据,又可动态调整发电功率设置,为数据中心构建起 “可视化监测 - 智能化调控 - 数字化管理" 的全流程能源管控体系,助力高算力场景下的绿色电力精细化运营。
5、结语
该数据中心光伏防逆流项目的实施,依托Acrel-2000MG微电网能量管理系统的智能调控体系,既实现光伏能源高比例自用,又通过功率调节保障数据机房供电稳定性。方案以综保刚性调节配合能量管理系统柔性调节的双模式设计,在满足政策合规要求的同时,降低了防逆流综保的跳闸次数,降低了弃光比例。