随着新能源产业蓬勃发展,越来越多的企业厂房屋顶铺上了光伏板,储能系统也逐渐成为标配。但在享受绿色电力的同时,你是否遇到过这样的困扰:发电量忽高忽低,用电负荷波动不定,一不小心就可能向公共电网"倒送电"?
别担心!安科瑞防逆流解决方案来了!

🔍 防逆流为何如此重要?
根据国家规范要求,当光伏发电系统检测到逆向电流超过额定输出的5%时,需在2秒内自动降出力或停止送电。这不仅是为了保障电网安全,更是企业合规运营的条件!

💡 核心解决方案全面解析
双管齐下,刚柔并济
柔性调节:实时监测功率变化,提前预测风险,智能调节发电功率
刚性跳闸:检测到逆向功率立即切断并网,响应时间<2秒

智能装置,精准适配
根据不同场景需求,提供量身定制的装置选择:
单机版AM5SE-IS
适用距离:100米以内
核心功能:低功率保护、逆功率保护、PT/CT断线告警
通讯接口:双RS485+双以太网,支持多种通讯规约





主从机版AM5SE-PV系列
光纤直跳方案:覆盖100米至40公里
GOOSE通讯方案:构建智能通信网络
多层保护:8段低功率保护+逆功率保护


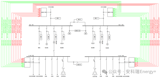
AM5SE-PV系列防逆流保护装置主从机采用光纤方式连接,通过光纤链路远程开入开出实现防逆流。
1)当逆流监测点与用户侧并网发电系统并网单元的并网柜之间线缆敷设距离在100米至1.5kM之间可采用AM5SE-PV系列主从机方案,主机从机之间可采用多模光纤为 62.5/125um,波长 850nm,ST 接口连接;
2)当逆流监测点与用户侧并网发电系统并网单元的并网柜之间线缆敷设距离在1.5kM至20kM之间可采用AM5SE-PV系列主从机方案,主机从机之间可采用单模光纤波长 1310nm,ST 接口连接;
3)当逆流监测点与用户侧并网发电系统并网单元的并网柜之间线缆敷设距离在20kM至40kM之间可采用AM5SE-PV系列主从机方案,主机从机之间可采用单模光纤波长 1550nm,ST 接口。




典型配置方案

🎯 四大功能亮点
实时监测:24小时不间断监控功率变化
智能预警:提前识别风险,防患于未然
快速响应:逆功率超标立即动作
自动恢复:功率正常后智能合闸,提升发电利用率