RFID技术的无线测温系统

利用RFID技术的无线测温系统可根据钢厂复杂的配电网提供不同的无线测温方案,实时监测电气设备的本身温度。无线通讯通常和接收终端、通信串口、电子计算机等配套使用,无线测温传感器通过RFID技术将温度数据传输给无线测温集中采集主机,再通过不同的通讯通道将数据上传到无线测温系统。适用于各类户外、高温、潮湿、粉尘、高压、不便布线或现场无法提供电源等的多种特殊测控场合。该系统解决了现场安装布线成本,克服安装复杂环境的影响,实现了电气设备本身温度的实时在线监控。


1
产品概述
ATE800 系列 RFID 无线测温装置可用于中压开关柜内母排搭接点,断路器触头,电缆接头等金 属部位的温度监测,具有安装方便、抗干扰能力强、工作可靠的特点。
ATE800 系列产 品组成:接收器,天线,传感器。
ATC800 接收器通过天线向 ATE800 无线测温传感器发射 RFID 射 频信号,传感器接收到射频能量之后,激活电路,开始进行温度数据采集,并将数据通过无线信号 回传至天线;天线通过射频电缆将数据传输至接收器,最终可由接收器将数据上传到远程监控系统。


2
测温方案
RFID测温方案



3
产品构成



4
测温原理
RFID的全称是Radio Frequency ldentification,即射频识别,是一种利用无线电波进行数据交换的自动识别技术。
RFID测温技术是RFID无线识别技术与温度传感技术相结合的创新应用,核心功能是通过接收器读取安装在待测温部位的RFID传感器的温度数据,实现对测温接点的温度测量功能。
主要过程为接收器通过天线发射特定的电磁波信号,当无源测温传感器在RFID接收器的射频场内时,传感器内部天线接收到电磁波并将电磁波转换为传感器内部温度传感器、MCU、射频芯片所需的工作电压,内部温度传感器开始温度采集。然后传感器将温度数据和传感器标识码(ID号)打包成数据帧,通过传感器天线以射频信号的形式给接收器,接收器接收到传感器反馈的射频信号后,将其解调、解码为数字信号,提取出传感器识别码和温度数据。


5
应用场景
10kV开关柜测温

35kV开关柜测温



6
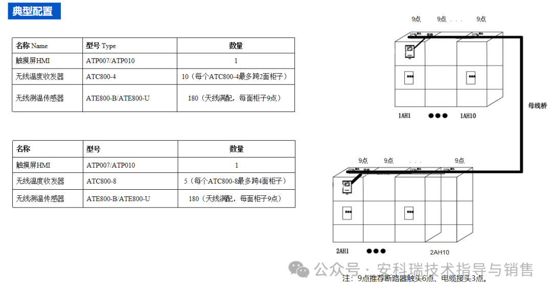
典型配置



7
产品特性



8
配置方案

ATE800系列支持Modbus协议,用户可通过上位机软件或SCADA系统实时读取温度数据、设置报警阈值、控制继电器输出,实现远程监控、智能预警、联动控制,真正实现“无人值守、智能运维"。