1.户储逆变器配套
客户核心产品为逆变器,兼容光伏、储能等多领域主流品牌;因终端安装场景存在不确定性,特采用专业代理安装模式,配套 RS485+CT 的适配方案。
证书:CE-MID、CE-EMC、CE-LVD、UL、RCM、ROSH、 REACH。





功能特点:
①50ms数据更新;
②相序调整;
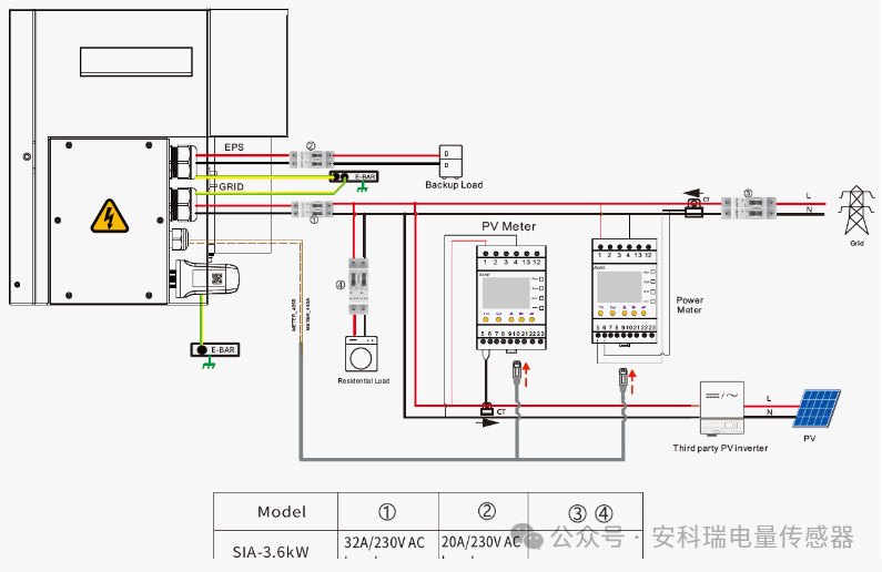
2.储能逆变
客户核心产品为储能解决方案,旗下储能逆变一体式设计产品具备更高集成度,相应对表计的集成适配要求也更为严苛。同时新品将落地各类改造场景,故而部分应用场景中需配置双路设计以适配需求。
证书:CE-EMC、CE-LVD、RCM、ROSH、 REACH。



功能特点:
①50ms数据更新;
②相序调整;
③双路计量;
④电压、电流快插端子;
⑤RJ45通讯端子
3.阳台光储
一款以阳台为核心安装载体,集成微型光伏组件与小型储能电池的分布式发用电系统,兼具小功率、高集成度优势,可实现便携化安装与调试,搭载无线通讯功能。
证书:CE-EMC、CE-LVD、RCM、CE-RED、ROSH、 REACH。



功能特点:
①50ms数据更新;
②相序调整;
③双路计量;
④电压、电流快插端子;
⑤RJ45通讯端子
⑥WiFi、WIFIhalow无线通讯,蓝牙调试
4.微储场景点对点透传方案
在微储场景中,WiFi通讯常面临穿透性弱、网络不稳定、覆盖范围不足等诸多弊端。本方案针对性采用点对点Wi-Fi HaLow(Sub-1GHz)通信技术,相较传统WiFi,具备更强的穿透能力与更远的传输距离;对比 Lora 技术,则拥有更快的通讯速率与更稳定的传输表现。仪表本身原生支持Wi-Fi HaLow通讯,逆变器侧可通过额外加装一个AP设备,实现无线通讯的顺畅对接。


功能特点:
①50ms数据更新;
②相序调整;
③双路计量;
④电压、电流快插端子;
⑤RJ45通讯端子
⑥WiFi、WIFIhalow无线通讯,蓝牙调试
面向工商业领域的专属解决方案,电表具备高速刷新特性,可灵活接入高低压侧各类储能场景,同时集成防逆流、防过载双重核心保护功能。此外,该方案可与多费率电表无缝适配联动,实现不同费率场景下的电能计量需求,保障计量数据准确可靠。

1.APM521

APM521

功能特点:
①海外认证-CSA(UL)认证;
②高精度测量-有功电能0.2s级(D级);
③丰富的存储功能-SD卡存储实时电参量
④结构多样化-采用主体+从模块设计,支持嵌入式/导轨式两种安装方式;
⑤相序自诊断-具备相序诊断,识别错相、CT反接等异常状态;
2.DTSD1352/DTSD1352-CT

功能特点:
①复费率:8费率 、14时区、 8套时段;
②二次CT改造接线,C级(0.5S级);
③快速刷新 50ms;
④CPA、CE、UL;
3.ADW300-HJ-4G

功能特点:
①电能计量、测温及漏电三合一体,简化系统架构,降低安装成本;
②支持4G/CAT1、NB-loT、LoRa、Wifi等方式,可直传至云平台
③线路温度过高、漏电流过大实时监测并可报警输出;
④相序自诊断-具备相序诊断,识别错相、CT反接等异常状态;
⑤产品具备CPA证书。