随着新能源产业加速迈向智能化,光伏储能、换电服务等场景对设备计量精度与通信可靠性的要求不断提升。安科瑞电气聚焦新能源配套领域,针对户用光储、工商储能、换电站等多样化场景,构建了覆盖全链条的仪表解决方案,以高性能产品与稳定技术为行业高效运行提供坚实支撑。接下来,让我们深入了解其中的核心优势与应用实践。

01
户用光储场景:准确适配多元需求,安装运维更便捷
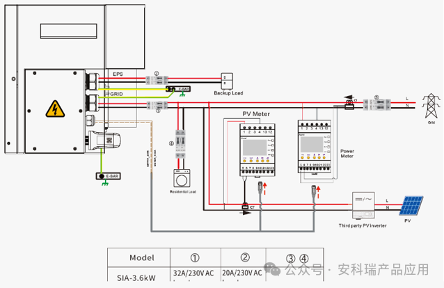
一、户用光储1-户储逆变器配套
客户核心产品是逆变器,光伏及储能等兼容市场品牌。安装情况不确定,专业代理安装。因此采用RS485+CT。
证书:CE-MID、CE-EMC、CE-LVD、UL、RCM、ROSH、 REACH。



50ms数据更新;
相序调整;

二、户用光储2-储能逆变
客户核心产品是储能方案。储能逆变一体式设计产品集成度更高,对表计集成度要求更高。另新产品会用在改造场景,因此部分场景需要双路。。
证书:CE-EMC、CE-LVD、RCM、ROSH、 REACH。


50ms数据更新;
相序调整;
双路计量;
电压、电流快插端子;
RJ45通讯端子

三、户用光储3-阳台光储
一种以阳台为安装空间,集成微型光伏组件与小型储能电池的分布式发电-用电系统。小功率,集成度高,便携安装调试。无线通讯。
证书:CE-EMC、CE-LVD、RCM、CE-RED、ROSH、 REACH。


50ms数据更新;
相序调整;
双路计量;
电压、电流快插端子;
RJ45通讯端子
WiFi、WIFIhalow无线通讯,蓝牙调试

四、户用光储4-微储场景点对点透传方案

微储场景中很多情况下采用WiFi通讯有较大弊端(穿透差、网络不稳定、覆盖不到位等),该方案采用点对点Wi-Fi HaLow(Sub-1GHz)通信技术,相比WiFi有更强的穿透力和传输距离,相比Lora有更快的通讯速率和稳定性。
仪表本身支持WIFIhalow通讯,逆变器测可通过附加一个AP实现无线通讯。

50ms数据更新;
相序调整;
双路计量;
电压、电流快插端子;
RJ45通讯端子
WiFi、WIFIhalow无线通讯,蓝牙调试
02
大储、工商储、换电站
工商业领域解决方案,电表刷新速度快,支持接入高低压侧储能场景,具有防逆流及防过载功能。同时与多费率电表配合使用,实现不同费率下电能计量功能。
