行业背景
在“双碳"战略与能源结构转型的浪潮下,微型储能、微型储能迎来爆发式增长。家庭屋顶光伏搭配储能系统,成为居民实现自发自用、降低用电成本、参与电网调度的主流选择。海量分布式储能设备接入公用电网,在带来绿色能源普惠的同时,也给电网稳定运行埋下隐患。
光伏+储能系统在余电充裕时,易出现电力逆流至电网的现象。这一问题会冲击电网电压、频率的稳定性,干扰电网继电保护装置正常工作,严重时还会引发设备故障、电网震荡,威胁运维人员与终端用户的用电安全。因此,准确监测、快速管控逆流,成为微逆、微储系统并网的核心刚需。
微逆、微储场景下防逆流电表适配方案
2.1微逆场景防逆流电表需求
①户储逆变器配套
客户核心产品是逆变器,光伏及储能等兼容市场品牌。安装情况不确定,专业代理安装。因此采用RS485+CT。
证书:CE-MID、CE-EMC、CE-LVD、UL、RCM、ROSH、 REACH。


②储能逆变
客户核心产品是储能方案。储能逆变一体式设计产品集成度更高,对表计集成度要求更高。另新产品会用在改造场景,因此部分场景需要双路。。
证书:CE-EMC、CE-LVD、RCM、ROSH、 REACH。

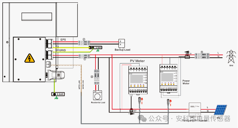
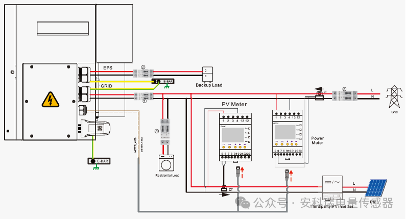
2.2 ADL200M/400M系列外置互感器电能表
ADL200M/400M系列外置互感器双回路电能表,主要针对于光伏并网系统、微逆系统、储能系统、交流耦合系统等新能源发电系统而设计的一款智能仪表,产品具有精度高、体积小、响应速度快、安装方便等优点。具有对电力参数进行采样计量和监测,逆变器或者能量管理系统与之进行通讯,根据实时功率及累计电能实现防逆流、调节发电量、电池充放电等功能,可双向计量,实现户用分布式光伏能量管理。



2.3微储场景防逆流电表需求
①阳台光储
一种以阳台为安装空间,集成微型光伏组件与小型储能电池的分布式发电-用电系统。小功率,集成度高,便携安装调试。无线通讯。
证书:CE-EMC、CE-LVD、RCM、CE-RED、ROSH、 REACH。

②微储场景点对点透传方案
微储场景中很多情况下采用WiFi通讯有较大弊端(穿透差、网络不稳定、覆盖不到位等),该方案采用点对点Wi-Fi HaLow(Sub-1GHz)通信技术,相比WiFi有更强的穿透力和传输距离,相比Lora有更快的通讯速率和稳定性。

2.4 ADL200N/400N-CT/WF系列外置互感器电能表

与传统防逆流电表相比,该系列有以下几大优势:
①结构小巧:1P,18mm标准导轨式设计,支持一路单相、两路单相、一路三相、两路三相四种应用场景可选。
②插拔式电流互感器:互感器采用一体式设计,RJ11接口封装。与电表插拔式安装、三相黄绿黄三色区分,减少电流错位、反向等接线异常风险。此外若现场互感器与电表安装距离较远,可自配通用RJ11延迟线使用。
③插拔式电压端子:电压端子可插拔方便安装,端子接线采用按压式固定设计,降低接线难度,提高效率。
④电参量快速更新:实时捕捉电压电流变化,50ms更新。
⑤无线通讯:支持485和WF通讯,485支持Modbus协,一条数据读取全部所需电参量。WIFI通讯可支持ModbusTCP协议或Httpserver协议,支持内置天线或外置天线可选。
⑥相序诊断:支持接线诊断,可识别异常接线情况,并提供调整建议。
结语
安科瑞始终以微逆、微储场景的实际需求为核心,凭借两大系列防逆流电表的硬核性能与多元解决方案,兼顾合规性、稳定性与便捷性,守护分布式新能源系统安全并网与运行。