一、工商业光伏储能并网——发电系统现状
随着新能源产业快速发展,越来越多工商业用户在原有公共电网配电系统基础上,新增分布式光伏、风电、储能等发电系统,实现自发自用、降本增效。但发电量波动与用户侧用电负荷变化,易导致用户侧并网系统逆向发电、向公共电网倒送电,不仅违反电网规范,还可能引发供电安全隐患。
安科瑞针对性推出工商业光伏储能并网防逆流解决方案,以“柔性软件调节+刚性保护跳闸"双重机制,科学管控并网发电系统,精准实现防逆流功能,保障系统合规、安全、高效运行。
二、核心方案:柔性调节+刚性跳闸,双重保障防逆流
对于不允许向电网倒送电的工商业用户,安科瑞采用“软件柔性调节+硬件刚性跳闸"结合模式,从预警到处置形成全流程闭环,杜绝倒送电风险:
配置防逆流保护装置:在公共连接点部署专用防逆流保护设备,实时监测并网点功率状态,一旦出现逆向功率,快速触发保护动作。
软件柔性调节:通过防逆流软件实时采集并网点功率数据,与发电设备联动通信,动态调节实时发电量,提前规避逆向功率产生。
刚性保护跳闸:当逆向功率触发设定阈值时,立即断开并网柜,阻止发电系统持续向公共电网倒送电,保障电网与用户侧系统安全。

三、核心产品:安科瑞防逆流保护装置,适配多场景需求
针对不同敷设距离、不同电压等级的工商业场景,安科瑞推出两类核心防逆流保护装置,搭配多套部署方案,灵活适配各类项目需求。
AM5SE-IS 防逆流保护装置——单机版防逆流保护
核心适配场景:35kV、10kV及低压400V光伏发电、风力发电、储能充放电等新能源并网系统,尤其适合逆流监测点与跳闸点距离≤100米的场景。
核心功能:实时监测逆向供电现象,快速切除并网点,确保电站运行符合电网规范,杜绝持续倒送电。

AM5SE-PV 系列防逆流保护装置——主从机光纤直跳方案
针对监测点与并网柜距离较远的场景,推出两种专属方案,覆盖100米至20公里全范围,保障信号稳定、动作精准:
主从机光纤直跳方案
100m~1.5km:采用多模光纤(62.5/125um,波长850nm,ST接口)连接主从机;
1.5km~20km:采用单模光纤(波长1310nm,ST接口)连接主从机。

AM5SE-PV 系列防逆流保护装置——主从机光纤直跳方案


AM5SE-PV 系列防逆流保护装置——GOOSE通信方案
当逆流监测点与用户侧并网发电系统并网单元的并网柜之间线缆敷设距离在 100 m至 20km 之间可采用 AM5SE-PV 系列主从机方案,主机从机之间可采用单模光纤波长1310nm,FC 接口连接。

四、防逆流软件功能:柔性调节,提升系统利用率
安科瑞防逆流软件作为方案核心,实现“监测-调节-跳闸-恢复"全流程自动化控制,兼顾安全性与发电利用率:

1、实时监测,精准把控
实时采集防逆流监测点功率、光伏发电总功率、储能充放电实时功率,以及每个并网单元并网点功率,全面掌握系统运行状态。
2. 灵活设置,精准管控
可自由设置三大核心参数,适配不同用户需求:
逆功率跳闸阈值及动作时间;
低功率调节阈值及调节时间;
功率恢复正常后,合闸阈值及恢复时间。
3. 三重核心控制,兼顾安全与效率
低功率柔性调节:当公共电网下网功率较低、易产生逆向功率时,软件自动向并网单元发送降功率指令,提前规避隐患;
逆功率刚性跳闸:当逆向功率触发设定阈值,立即发送跳闸指令,切断并网单元,杜绝持续倒送电;
自动恢复合闸:跳闸后,当下网功率恢复正常且满足合闸条件,软件自动发送合闸指令,恢复发电,提升系统利用率,减少公共电网依赖。
安科瑞防逆流解决方案已广泛应用于各类工商业光伏储能项目,以下为3个典型案例,直观展示方案适配性与实用性。
五、典型案例:实地落地,验证方案可行性
典型案例1——中国移动山西太原移动中心911.55kWp分布式光伏项目
柔性软件调节+刚性单机版防逆流保护方案
项目概况:位于山西太原中国移动数据中心园区,装机容量911.55kWp,采用0.4kV低压并网,设置5个并网点,分别部署在多台变压器低压侧。
项目需求:光伏发电不允许通过变压器上送其他配电回路,在变压器出线侧设置逆流检测点,监测是否存在逆功率。
方案配置:因每个并网点与监测点距离≤100米,采用“柔性软件调节+AM5SE-IS单机版防逆流保护"方案,每个监测点配置1台AM5SE-IS,搭配防逆流软件实现动态调节。
运行效果:实时监测各并网点功率,出现逆功率时快速跳闸,功率恢复后自动合闸,项目“自发自用、余电不上网"需求。

典型案例2——中国移动山西太原移动中心911.55kWp分布式光伏项目

本项目5个并网点、5个监测点均为独立防逆流保护单元,AM5SE-IS装置采集母线低压总进线互感器电流及母线电压,精准计算实时功率(向下指向母线为正功率,向上指向变压器为逆功率),实现逆功率快速跳闸、正常功率自动合闸,保障系统稳定运行。
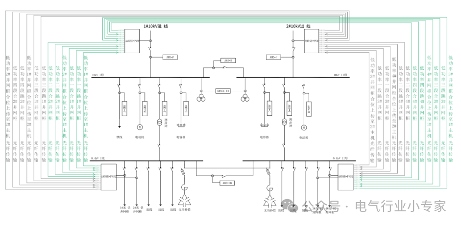
典型案例3——临港投资开发有限公司730kW分布式光伏项目
柔性软件调节+主从机光纤直跳防逆流保护方案
项目概况:1号变电站设置3个并网柜,分别接入3个10kV变电站,逆流检测点设置在35kV主变低压侧10kV进线侧,要求实现“自发自用、余电不上网"。
项目需求:监测两路35kV主变低压侧10kV进线功率,出现逆功率时自动切断部分光伏回路,保障35kV线路正常供电。
方案配置:采用“柔性软件调节+主从机光纤直跳"方案,在两路进线处各配置1台AM5SE-PVM防逆流主机,每个光伏并网点配置1台AM5SE-PVS从机,主从机通过多模光纤连接,实现信号快速传输与精准控制。

以1#10KV总进线策略举例:
设Ppcc为监测点实时功率、Pnt为n段低功率跳闸定值、Pnc为n段功率恢复合闸定值,具体控制逻辑如下:
当Ppcc<P1t:1#AM5SE-PVM通过光纤向1#并网点AM5SE-PVS2发送指令,跳开1#并网点汇流开关1;
当Ppcc<P2t:跳开1#并网点断路器;
当Ppcc<P3t:跳开3#并网点汇流开关1;
当Ppcc<P4t:跳开3#并网点断路器;
当Ppcc>P4c:合上3#并网点断路器;
当Ppcc>P3c:合上3#并网点汇流开关1;
当Ppcc>P2c:合上1#并网点断路器;
当Ppcc>P1c:合上1#并网点汇流开关1。
六、方案核心优势
适配性广:覆盖35kV、10kV、400V多电压等级,100米至20公里多距离场景,适配光伏、风电、储能等多种并网需求;
双重保障:软件柔性调节提前规避隐患,硬件刚性跳闸快速处置风险,兼顾安全性与灵活性;
智能高效:全流程自动化控制,无需人工干预,提升系统运维效率,同时自动恢复合闸,提高发电利用率;
合规可靠:符合电网规范,杜绝倒送电隐患,保障用户侧与公共电网双重安全。
安科瑞深耕用户侧能效管理与新能源并网领域,凭借“云-边-端"一体化技术优势,为工商业光伏储能并网提供全流程防逆流解决方案,助力用户实现合规发电、降本增效,推动双碳目标落地。