一、什么是新能源场站?
新能源场站是指汇集接入电力系统的风电、光伏等新能源发电设施,并通过并网点以下设备集合接入电网的电力设施。简单来说,它就是集中进行风能、太阳能等可再生能源发电的场所。
二、主要类型
1. 光伏电站
通过太阳能电池方阵将太阳能辐射能转换为电能的发电站。按照运行方式可分为:
· 独立光伏电站:不与公共电网联接,用于无电地区
· 并网光伏电站:与公共电网联接,共同承担供电任务
安装环境分类包括:大型地面电站、山地光伏电站、漂浮式光伏电站等。
2. 风电场
汇集风力发电机组,将风能转换为电能的场站。中国广核集团在国内拥有超过10000台风力发电机组。
3. 风光储一体化场站
整合风电、光伏和储能的新能源场站,通过储能系统平抑发电波动性,提升电网友好性。
三、接入电压等级
新能源场站的接入电压等级根据装机容量确定:
装机容量 推荐接入电压
30兆瓦以下 110千伏以下
200兆瓦以上 220千伏
配置储能系统以满足调频调压需求已成为大容量场站的必要要求。
四、安科瑞光储充一体化平台及典型案列
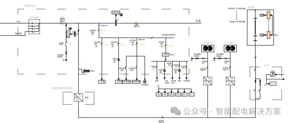
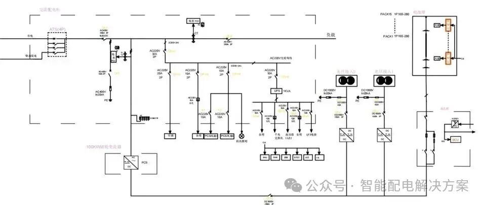
1、系统架构

2,场景应用
2.1防逆流

2.2充电桩有序充电控制
按照有序充电控制路径可以分为云端有序、边端有序、终端有序三类控制架构,进一步根据控制设备的不同可细分为6种控制方式:云端有序直接桩控、云边协同有序桩控、云端有序直接车控、边端有序桩控、桩端自主有序控制、车端自主有序控制。

根据电力价格和用户充电需求,或电力生产运行、电力负荷管理及负荷聚合等外部云侧系统调控需求等信息生成有序充电控制策略,直接管理和控制有序充电设备实现有序充电过程。

根据电力价格和用户充电需求,或电力生产运行、电力负荷管理及负荷聚合等外部云侧系统调控需求等信息生成有序充电控制策略,管理和控制有序充电设备实现有序充电过程。
2.3并网型光储微电网协调控制

实现防逆流、新能源消纳、需量控制、峰谷套利。
是配合MG或者ACCU实现。
2.4光储柴并离网控制

广泛应用于偏远地区、岛屿、军事基地等特殊应用场景,东南亚、非洲区域,配合总包或者成套一起来做。
直流耦合光储柴一体柜 采用2000ES
交流耦合光储柴 采用2000MG
实现并离网切换,并网模式下实现新能源消纳、防逆流等控制需求;离网模式下满足系统可靠供电及能量平衡。
管理系统主要实现有缝切换。无缝切换需搭配STS。
参考《关于并离网运行模式说明》
3.典型案例
3.1某啤酒厂分布式光伏防逆流控制

项目信息
光伏装机1MW,3个并网点,低压接入配电系统。
要求自发自用、余电不上网。
解决方案
通过防逆流保护装置,做到刚性控制,实现并网柜快速切断;
通过防逆流管理系统,做到柔性调节,实现光伏利用。
方案配置

调节效果
通过设定防逆流限值和输出恢复限值,系统能够控制光伏逆变器最大处理,并保证并网断路器不跳闸,实现光伏最大功率利用,且满足电力公司的考核。

3.2某光储柴项目案例
背景:某发展集团股份有限公司,实现了固态电池的产业化,建有固态动力锂电池规模化量产线。目前主要出货标准储能柜、光储柴一体柜,产品出口至北美、南亚等地。
控制:主要实现并离网、新能源消纳、防逆流等控制策略。
平台:本地与云平台一起使用。


3.3某新材料光储充项目案例

项目特点:
光储充综合监测;
保障光伏、储能、充电桩等设备安全运行;
运用储能进行削峰填谷,降低用电成本;
运用储能进行新能源消纳,提升光伏消纳率。


3.4海外某寺庙光储项目案例

客户需求
1、因客户当地供电可靠性不高,且不需要电网无缝切换市电,则由系统实现并离网切换。
2、为降低客户用电成本,储能吸收白天光伏未被消纳的电量,用于晚间供给负载使用。
3、故给客户定制的策略为:就地消纳+并离网切换控制方案。
项目特点:
充分利用光照资源,实现绿色用电;
保障变电站、光伏、储能等设备安全运行;
保证部分负荷离网状态正常运行;
运用部分储能削峰填谷,降低用电成本。


3.5某高速源网荷储项目案例

智慧能源管理平台需要兼容266个站点的协调控制器接入,主要实现远程集中监视和控制、能效分析、能耗及收益、数据统计、策略下发等。
协调控制器可以制定并自动执行防逆流、削峰填谷、新能源消纳等控制策略,对内实现源、网、荷、储一体化协同运行。

1、防逆流保护装置:在并网柜增加防逆流保护装置,通过监测公共连接点的逆流信息进行上送协调控制器或者断开并网柜断路器,实现微电网逆流保护;
2、电能质量在线监测装置:监测微电网的电能质量指标,如电压偏差、频率偏差、谐波含量等,采取相应的控制措施,确保电能质量符合标准要求;
3、协调控制器:采集光伏、储能、充电桩和市电的实时数据,实现多能源协同控制;完成微电网防逆流、新能源消纳等策略,有效整合光伏、储能和充电桩等资源,还能满足防逆流要求,提升新能源消纳能力,降低服务区用能成本及经济运行;
4、智慧能源管理平台:基于AI智能算法,配置多种运行策略,下发至协调控制器,实现光储充的优化调度;并实现站点发电、用能、设备监测、展示与管理。

系统为服务区实现了以下收益:
基于AI智能算法调度成本电源供应新能源充电桩获取电能差价和充电服务费;
储能系统谷峰套利收益;
基于需量调控的电费收益;
光伏余电上网收益。

