一、系统拓扑

用户侧并网发电系统,按照站控层、间隔层、设备层三层架构设计,通过间隔层通信管理机及网络交换机实时采集防逆流保护装置、微机保护装置、电能质量监测、计量、远动系统等二次设备数据,实现多个区域用户侧并网发电系统全面监控与自动化管理。

同时在监控室配置通信系统、对时系统、远动系统满足系统内部的通信与上级调度需求,配置一套一体化电源系统,为二次设备及监控主机等重要设备运行提供稳定可靠的电源,实现整个用户侧并网发电系统的安全、稳定运行。
二、设计标准及依据

根据国家标准 GB/T 50865-2013 和 GB/T 43526-2023 明确要求:
✅ 不可逆并网系统必须装逆功率保护设备;
✅ 逆向电流超额定输出 5% 时,2 秒内必须降出力或停机;
✅ 公共连接点要具备逆向功率保护功能。
一旦不满足这些要求,轻则系统跳闸,重则面临电网整改、罚款,甚至影响后续并网资格。
三、配套产品简介

单机版防逆流保护装置
AM5SE-IS防逆流保护装置主要适用于35kV、10kV及低压380V光伏发电、风力发电、储能充放电等新能源并网供电系统。




当向公共电网有逆向供电现象时,可以快速切除并网点,使本站不持续向电网逆向供电,保证电站的使用满足电网要求。

AM5SE-PV系列防逆流保护装置
AM5SE-PV系列防逆流保护装置主从机采用光纤方式连接,通过光纤链路组GOOSE通信网络实现防逆流。



四、场景化配置

防逆流保护装置的配置并非 “一刀切",需根据逆流监测点与并网柜之间的线缆敷设距离灵活选择,确保信号传输的稳定性与保护动作的及时性:
短距离场景(≤100 米):单机版装置高效适配
当逆流监测点与并网柜之间线缆敷设距离100米以内,采用单机版装置AM5SE-IS来实现防逆流保护功能;
中长距离场景(100 米 - 40 公里):
主从机版装置远程覆盖
当逆流监测点与并网柜之间线缆敷设距离在100米至40kM之间时,采用主从机版装置AM5SE-PV系列,主机从机之间可采用光纤连接,实现主从机的远程防逆流功能。

(1) 当逆流监测点与用户侧并网发电系统并网单元的并网柜之间线缆敷设距离在100米至1.5kM之间可采用AM5SE-PV系列主从机方案,主机从机之间可采用多模光纤为 62.5/125um,波长 850nm,ST 接口连接;

主从机通信组网借光纤环网交换机组光纤环网拓扑图
(2) 当逆流监测点与用户侧并网发电系统并网单元的并网柜之间线缆敷设距离在1.5kM至20kM之间可采用AM5SE-PV系列主从机方案,主机从机之间可采用单模光纤波长 1310nm,ST 接口连接;

主从机通信组网光纤直连拓扑图
(3) 当逆流监测点与用户侧并网发电系统并网单元的并网柜之间线缆敷设距离在20kM至40kM之间可采用AM5SE-PV系列主从机方案,主机从机之间可采用单模光纤波长 1550nm,ST 接口。

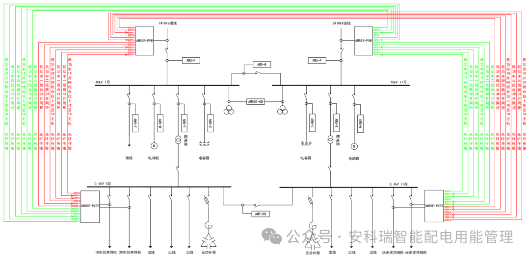
双市电进线
五、典型配置方案


六、总结:安全并网,从防逆流开始

用户侧并网发电系统的安全运行,既关乎用户自身用电稳定,也影响公共电网可靠 —— 无论短距离商业光伏还是长距离工业园区并网,选对安科瑞适配的防逆流装置,就能轻松实现 “发电不倒送、安全有保障" 的运行目标。