在石化、矿井、钢铁等高风险工业领域,电机绝缘性能的下降犹如隐形,随时可能引发设备故障甚至安全事故。如何实现绝缘状态的全天候监测?AIM-OL离线系统绝缘监测仪 以精准可靠的解决方案,成为工业安全管理的“智能眼睛"。
01 多行业覆盖,精准应对绝缘隐患

AIM-OL专为不带电的TN、TT、IT系统设计,适用于690V及以下低压配电系统,广泛赋能多个关键场景:

石油化工:实时监测电机、水泵、应急风机绝缘状态,预防化学腐蚀导致的漏电风险;
矿井作业:抵御潮湿环境,保障井下设备绝缘安全;
钢铁冶炼:对抗高温、多尘等恶劣条件,延缓绝缘老化;
电厂/轻工/备用发电机系统:为连续生产提供无缝守护。

02 核心功能亮点,筑牢安全防线
绝缘监测与报警:实时检测相线或绕组对地绝缘电阻,覆盖10kΩ~20MΩ范围,异常即时告警;
双设定值灵活配置:用户自定义预警值与报警值,适配不同工况需求;
PK断线监测:实时监控PE/KE连接状态,杜绝接线故障;
事件记录与远程通讯:支持20条故障记录,配备RS485接口与Modbus-RTU协议,赋能智能运维;
自检与复位功能:本地/远程自检确保设备持续可靠运行。

03 安全设计与便捷安装
低电压测量:采用DC 24V供电,电流低于200μA,杜绝触电风险;
标准化安装:35mm导轨固定+插拔式端子,快速集成至各类配电箱,省时省力。



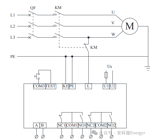
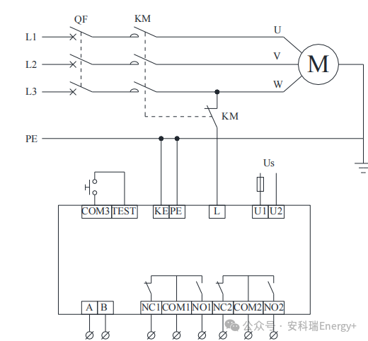
04 典型应用场景
在化工、电厂等连续生产场景中,电机停运后的绝缘测试至关重要。AIM-OL在断路器断开时自动检测回路绝缘:
绝缘良好:允许合闸,保障生产连续性;
绝缘异常:继电器输出闭锁合闸,从源头切断风险。

05 结语
AIM-OL离线系统绝缘监测仪凭借其全行业适用性、多功能集成与本质安全设计,已成为工业绝缘监测的优选工具。无论是新建项目还是智能化改造,它都能为企业实现预防性维护、降低故障率、延长设备寿命,为安全生产保驾护航。