
隔离电源监控系统

系统拓扑图

隔离电源监控系统是安科瑞EMS企业微电网能效管理云平台的子系统,用于集中监控医院门急诊楼、住院楼等场所所有医疗2类场所隔离电源系统的运行状态,实时监测各系统的绝缘状况、负载率及变压器的运行温度。当某套隔离电源系统出现故障,系统能发出报警信息,提醒工作人员及时排查故障,消除隐患,保障各隔离电源的安全可靠运行。
应用优势
提升医疗安全:从根本上杜绝供电中断引发的医疗风险,并预防微电击,是医患安全的“生命线"。
提高运维效率:故障定位功能将传统的“拉网式"人工排查,转变为“精细导航"式维修,平均故障修复时间(MTTR)缩短80%以上,显著降低运维成本和停诊风险。
实现预防性维护:通过对绝缘电阻趋势的长期监测,可提前发现线路或设备的老化问题,在故障发生前进行干预,变“被动维修"为“主动维护"。
满足规范与认证:系统符合IEC 61557-8、GB/T 16895.24等国内外标准,是医院通过JCI认证、三级医院评审等重要环节的硬件保障。
智能化管理:数字化平台与医院BMS/BAS系统对接,助力智慧医院建设。

产品选型




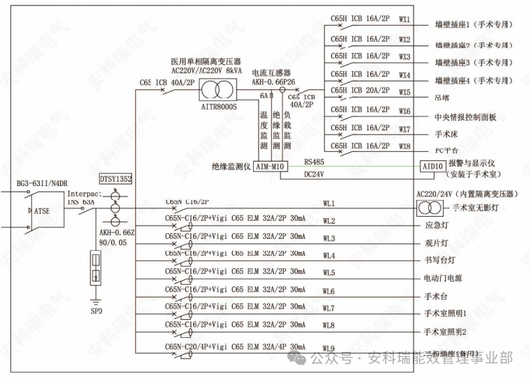
应用方案1——手术室配电解决方案(四件套)

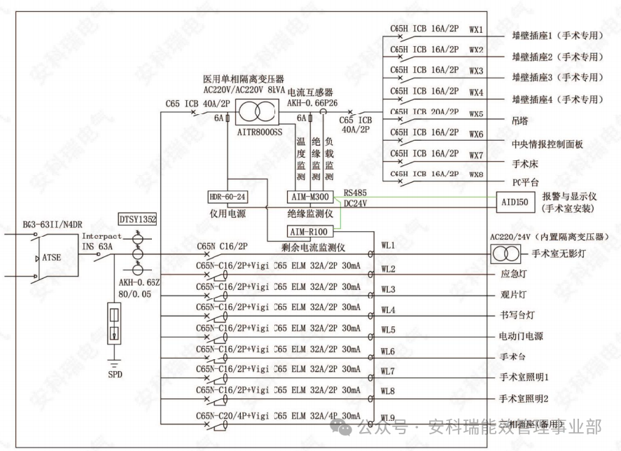
应用方案2——手术室配电解决方案(五件套)

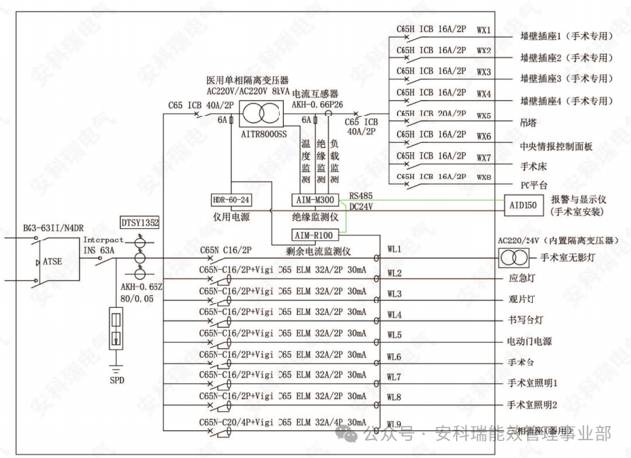
应用方案3——ICU配电解决方案(六件套)


总结

安科瑞医疗IT绝缘监测与故障定位系统,通过融合的信号注入、离散频率识别及物联网技术,构建了一个多层次、智能化的医疗电气安全防护网。它不仅解决了IT系统“供电连续性与故障隐蔽性"之间的矛盾,更通过精细定位和智能管理,将医疗电气安全从“合规"层面提升到了“精益化运维"和“预防性安全"的新高度。
随着物联网、大数据和人工智能技术的进一步发展,该技术方向将呈现以下趋势:
更深度的智能诊断:结合历史数据和AI算法,系统不仅能定位故障回路,还能预测故障类型(如线缆老化、设备损坏、环境潮湿等)。
更广泛的系统集成:与医疗设备管理系统、医院智慧运维平台无缝融合,实现跨系统的联动分析与决策。
更便捷的运维模式:结合AR技术和移动终端,为现场维修人员提供可视化指导,进一步提升运维效率。
综上所述,安科瑞的解决方案是现代医疗建筑电气安全关键技术,其推广应用对于构建安全、可靠、智慧的现代化医院具有重要的现实意义和长远价值。