一、闭口式BA系列交流电流传感器

1.产品概述
BA系列产品应用电磁感应原理,对电网中的交流电流进行实时测量,采用恒流和线性补偿技术,将其隔离变换为标准的直流信号输出。DC12V或24V安全电压或AC/DC85-265V电压供电,可广泛用于工业自动化领域。BA50L为变流剩余电流互感器主要检测用电系统的漏电流,能随时掌握电气线路和设备的情况,防止因漏电而发生的火灾等事故。

2.型号说明

3.通用技术条件

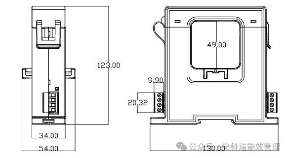
4.外形及安装
①DC12V或24V供电款外形及穿孔尺寸

②AC/DC85-265V供电款外形及穿孔尺寸

5.安装方法
安装方式可选择导轨安装或螺钉固定安装,具体操作如下:
a、导轨安装
选择适合的地方安装标准DIN35mm导轨,将BA传感器安装到导轨上即可;

b、 螺丝固定安装
在柜体底板上,选择适合的地方开两个与所安装传感器固定孔位置相对应的螺纹孔;将传感器放置后安装定位螺钉(顺时针)。

二、开口式BA系列交流电流传感器

1.产品概述
开口式BA系列产品应用电磁感应原理,对电网中的交流电流进行实时测量,采用恒流和线性补偿技术,将其隔离变换为标准的直流信号输出。DC12V或24V安全电压,可广泛用于工业自动化领域。

2.型号说明

3.技术条件

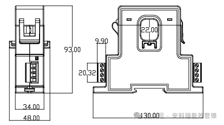
4.外形尺寸
①BAK20-AI外形尺寸

②BAK50-AI外形尺寸

三、智能型BA系列交流电流传感器

1.产品概述
智能型BA系列电流传感器应用电磁感应原理,对电网中的交流电流进行实时测量,采用恒流和线性补偿技术,将其隔离变换为标准的直流信号输出,或通过RS485接口(Modbus-RTU协议)将测量数据进行传输。DC24V或12V安全电压供电,可广泛用于工业自动化领域。BA50L(Ⅱ)-AI为交流剩余电流互感器,主要检测用电系统的漏电流,能随时掌握电气线路和设备的情况,防止因漏电而发生的火灾等事故。

一体式

分体式
2.型号说明

3.技术参数

4.外形及安装
①一体式

②分体式

四、安科瑞BA系列产品的运用场景:

工业自动化领域:如石油化工、钢铁冶金、水泥建筑、轨道交通等行业,可用于对生产设备的电流进行实时监测,帮助工作人员了解设备的运行状态,及时发现电流异常情况,保障生产过程的稳定和安全。
电力系统:在变电站、配电室等场所,安科瑞BA系列电流传感器可以对电力线路中的电流进行准确测量和传输,为电力系统的运行监控、故障诊断和保护提供数据支持,有助于提高电力系统的可靠性和稳定性。
建筑领域:在智能建筑中,可用于监测建筑内各个区域的用电情况,实现对空调、照明、电梯等设备的能耗监测和管理,帮助建筑管理者优化能源使用,降低能耗成本。例如在商业建筑中,通过监测不同区域的电流数据,可以分析出各个区域的用电高峰期和低谷期,从而合理调整设备的运行时间和功率,实现节能降耗。
数据中心:数据中心对电力供应的稳定性和安全性要求,安科瑞BA系列电流传感器可以实时监测数据中心内服务器、UPS、空调等设备的电流情况,及时发现设备的过载、短路等故障,保障数据中心的正常运行。
新能源领域:在分布式光伏发电、风力发电等新能源项目中,可用于监测发电设备的输出电流,以及并网线路的电流情况,为新能源系统的运行监控和能量管理提供数据支持,有助于提高新能源的利用效率和并网稳定性。